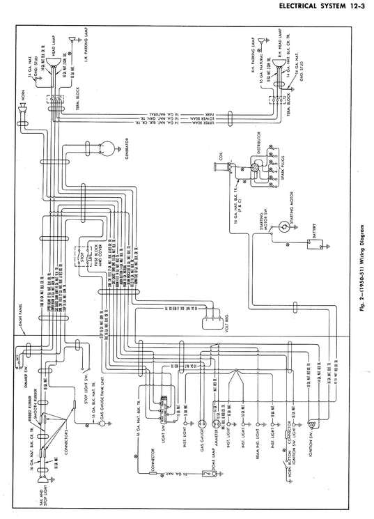
Chevrolet Chevy 1950 Truck Wiring Electrical Diagram Manual
Do you want to become a reseller/affiliate and get 1.0% provision?
| Embed: |
|
Chevrolet Chevy 1950 Truck Wiring Electrical Diagram Manual
chevrolet chevy 1950 truck wiring electr
233821270
14.95
want--it
Fresh Download
Available!
chevrolet chevy 1950 truck wiring electr
233821270
14.95
want--it
Fresh Download
Available!
